Máy bơm ly tâm có nhiều loại khác nhau, nhưng hai loại được sử dụng...
Máy bơm chìm và máy bơm cạn là hai loại thiết bị phổ biến với...
Trên thị trường có rất nhiều các thương hiệu máy bơm nước khác nhau, lựa...
Máy bơm công nghiệp Ebara luôn là sự lựa chọn hàng đầu cho doanh nghiệp...
Việc lựa chọn máy bơm nước phù hợp là điều quan trọng để đảm bảo...
Máy bơm ly tâm trục ngang Ebara đã nhanh chóng trở thành một trong những...
Trong bối cảnh nhu cầu xử lý nước thải ngày càng gia tăng, máy bơm...
Máy bơm trục đứng là một trong những thiết bị quan trọng trong ngành công...
Máy bơm ly tâm được sử dụng rộng rãi trong nhiều lĩnh vực vì ưu...
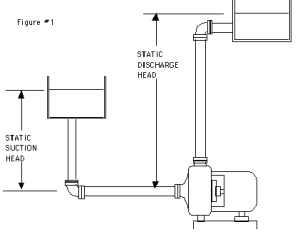
Lựa chọn thông số máy bơm là một trong những yếu tố quan trọng để...
Máy bơm bù áp chữa cháy là một phần quan trọng trong hệ thống phòng...
Tính toán thông số máy bơm sẽ giúp cho người dùng chọn được máy bơm...
Dòng máy bơm Ebara có rất nhiều phụ kiện đi kèm, mỗi phụ kiện sẽ...
Việc hướng dẫn vận hành máy bơm đúng cách, đúng kỹ thuật và an toàn...
Biết cách lựa chọn thông số máy bơm phù hợp là điều cần thiết. Bởi...
Giá máy bơm chữa cháy Ebara khá đa dạng và thường dao động từ 10...
Máy bơm chìm Ebara italy thường có nhiều mức giá khác nhau và công suất...
Công tác phòng cháy chữa cháy vô cùng quan trọng bởi nó ảnh hưởng tới...
Sơ đồ lắp đặt máy bơm chữa cháy đạt chuẩn giúp người dùng có thể...
Việc vận hành máy bơm chữa cháy đúng cách, đúng kỹ thuật và an toàn...
Máy bơm nước Ebara 3D
Biến tần Bedford W713B
Cảm biến áp suất Bedford
Phao điện MAC3
Hệ máy bơm tăng áp Ebara 2GP-Matrix
Hệ máy bơm tăng áp Ebara 2GP-3D
Hệ máy bơm tăng áp Ebara 2GP-3M
Hệ máy bơm tăng áp Ebara 2GP-2CDX
Tên tài khoản hoặc địa chỉ email *
Mật khẩu *
Ghi nhớ mật khẩu Đăng nhập
Quên mật khẩu?